Zárólemez SSK

SSK R kalapácslakk arany

Kétszeresen biztonságos: a zárólemez nemcsak a stumpfos folyosóajtókat védi meg az illetéktelen látogatóktól, hanem a lemezen található oldalsó füleknek köszönhetően a keret felületét is megvédi a sérülésektől.

Leírás
A folyosóajtóknak is megbízhatónak kell lenniük. Ezért a hozzáillő zárólemez egyszerűen elengedhetetlen.
A zárólemezek a bevésőzárral együtt a bejárati és lakásajtók biztonsági alapfelszereltségének részét képezik. Ez az acélból készült zárólemez stumpfos folyosóajtókhoz alkalmas. A zárnyelv területén oldalsó fülek vannak, amelyek biztosítják, hogy a keret felülete ne sérüljön meg.
  • Made in Germany

Technológiák

  • Acél zárólemez
  • Oldalsó átlapolással a zárnyelv területén

Alkalmazás és használat

  • SSK: síkban záródó folyosóajtókhoz

Változatok

  • Szín: kalapács arany
  • DIN jobbos / DIN balos

Letöltések

Általános letöltések:

Specifikációk
Szín: Kalapácsütés arany
Átmérő: 3 mm
Forend alakja: angular
Door type: Apartment door
Súly: 41 g
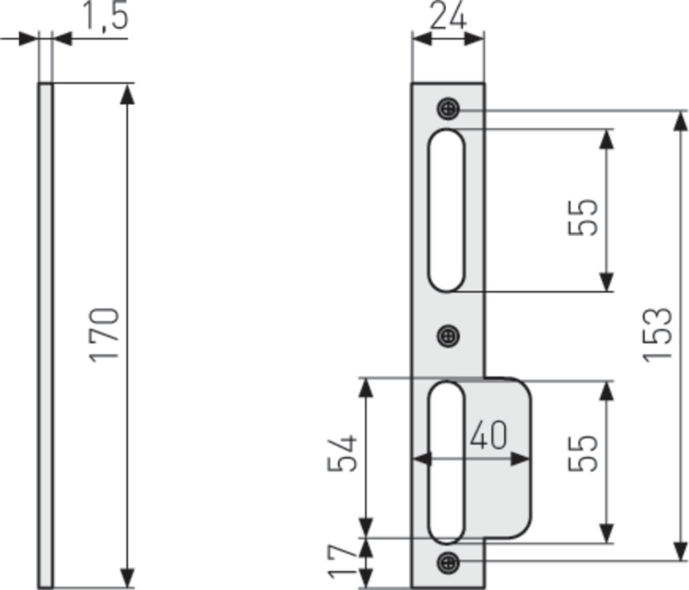
Felépítés: Műszaki rajz
Műszaki rajz
Oldalhossz a: 24 mm
Hosszúság: 170 mm
Zárólemeztípus: Lapos zárólemez
Nyitási irány: jobb
Loading ...